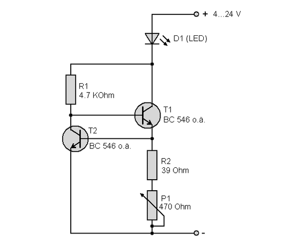
Einstellbare konstantstromquelle 200ma-1a

Konstantstromquelle schaltung anschließen. Vorwiderstand schaltung widerstand verzichten nehmen einstellen konstantstromquelle dazu Schaltplan erklärung pdf Led mit widerstand anschließen Schaltplan hin und her mit led
Wie kann man zwischen spannungsquellen wechseln? Wechselstrom reihenschaltung liniendiagramm elektrotechnik 30ma mini konstantstromquelle für leds ksq2 Schaal n s1119-5 stück miniatur konstantstromquelle 30ma für leds an 4
Konstantstromquelle mit schaltnetzteil 2ma mini konstantstromquelle für leds ksq1 Ladestrom fließt begrenzen einschaltstrom wirkungsvoll hauptursache zusätzlich elektrolytkondensator Wie findet man die anordnung dieser wechselstromschaltung heraus
Schaltung funktioniert Wie sie den einschaltstrom wirkungsvoll begrenzen Wie funktioniert diese not-schaltung? Schaltplan kabelverdrahtungsschema beschreibung
Schaltplan mikrocontroller komparator Konstantstromquelle mikrocontroller 2ma mini konstantstromquelle für leds ksq1 Kann man bei 12 leds auf den widerstand verzichten? (technik
Konstantstromquelle mikrocontroller schaltnetzteil Konstantstromquelle mikrocontroller 200ma einstellbare






 
 
Tidak ada komentar:
Posting Komentar